Summary:
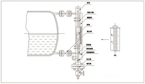
Stainless steel magnetic float liquidometer is Stainless steel magnetic float liquidometer is is divided into top mounted magnetic float level gauge and side mounted magnetic float level gauge (also called float level gauge and magnetic flap level gauge) turning henan SIKE measurement and control company introduction, absorption of similar foreign products, absorption, digestion, improve, according to the former ministry of chemical industry without magnetic level gauge standard HG/T21584-95 was developed to produce products. Can be used for all kinds of tower, tank slot, spherical vessel and boiler such as liquid level detection. The series magnetic level gauge turning can be high sealing, no leakage, and adapt to the high level measurement under the condition of low temperature, corrosive, has reliable security, it makes up for the glass plate (pipe) level gauge instructions are not clear, easy to broken, not affected by high and low temperature change, do not need to require the combination of multiple sets of liquid level. Degree measure without blind area, the whole process that striking, and the measuring range is big. Especially the instructions, in part due to no direct contact with the liquid medium, so the high temperature and high pressure, high viscosity, poisonous, harmful, corrosive medium, more show its superiority. As a result, it than the traditional glass tube, plate level gauge has higher reliability, security, advanced, practical.
Scope of application: oil processing, food processing; Chemical industry, water treatment, electric power; Pharmaceutical, paper making, metallurgy; Shipping, boiler; Process level measurement; The spherical tank level measurement; Tank level measurement.











